+375 44 707-00-53

Режим работы: Пн - Пт с 10:00 до 17:00

Сравнение

Личный кабинет

Робот Kawasaki ZX300S

Поделиться в социальных сетях
Артикул 195690
Робот Kawasaki ZX300S
Робот Kawasaki ZX300S
Робот Kawasaki ZX300S
Робот Kawasaki ZX300S
Под заказ
Цена по запросу
Робот Kawasaki ZX300S
Робот Kawasaki ZX300S
Робот Kawasaki ZX300S
Робот Kawasaki ZX300S

Характеристики

  • Производитель - Kawasaki
  • Страна производитель - Япония
Все характеристики
Дополнительные услуги
Пусконаладочные работы
Демонстрация оборудования
Стартовый набор для работы
  • Любая форма оплаты
  • Прямые поставки от производителей
  • Доставка по всей территории РБ

Промышленный робот Kawasaki ZX300SС с широкой рабочей зоной и грузоподъемностью 300 кг может использоваться для решения различных производственных задач, включая перемещение материалов и точечную сварку.

грузоподъемность: 300 кг
радиус действия: 2 501 мм
количество осей: 6
точность: ±0,3 мм

Области применения:

  • Точечная сварка
  • Сварка трением
  • Сборка
  • Обслуживание станков
  • Перемещение материалов
  • Механическая обработка
  • Распределение наполнителей

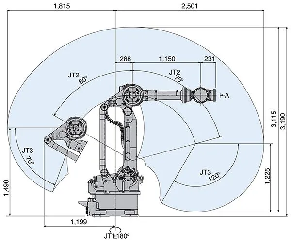
Размеры и диапазоны движения

Kawasaki ZX300S 2.jpeg

Kawasaki ZX300S 3.jpeg

Kawasaki ZX300S 4.jpeg


Характеристики:

Тип Шарнирный робот
Управляемых осей (Степени свободы) 6
Полезная нагрузка на кисть (кг) 300
Предельная досягаемость (мм) 2 501
Повторяемость (мм) ✽1 ±0.3
Угол поворота (°) Рука вращение (JT1) ±180
Рука вперед-назад (JT2) +75 - −60
Рука вверх-вниз (JT3) +250 - −120
Запястье поворот (JT4) ±360
Запястье сгиб (JT5) ±120
Запястье вращение (JT6) ±360
Максимальная скорость (°/s) Рука вращение (JT1) 100
Рука вперед-назад (JT2) 85
Рука вверх-вниз (JT3) 85
Запястье поворот (JT4) 90
Запястье сгиб (JT5) 90
Запястье вращение (JT6) 150
Момент силы (N•м)✽2 Запястье поворот (JT4) 1,715
Запястье сгиб (JT5) 1,715
Запястье вращение (JT6) 862
Момент инерции (кг•м2)✽2 Запястье поворот (JT4) 166.6
Запястье сгиб (JT5) 166.6
Запястье вращение (JT6) 107.8
Масса (кг) 1 400
Цвет корпуса соответствует Munsell 10GY9/1
Монтажное положение Пол
Встроенные функции Воздуховод (12мм × 2)
Требования по электропитанию (kVA)✽3 7.5
Контроллер Америка и Европа E02
Япония и Азия E02

✽1: Значение соответствует ISO9283.
✽2: В случае использования поворотный стол, должен быть закреплен соответствующими болтами и штифтами.
✽3: В зависимости от нагрузки и характера движения.

Видеообзор модели:

Артикул 195690
Производитель Kawasaki
Страна производитель Япония
Досягаемость 2 501 мм
Количество осей 6
Применение Точечная сварка, Сварка трением, Сборка, Обслуживание станков, Перемещение материалов, Механическая обработка, Распределение наполнителей
Точность сканирования ±0,3 мм
Грузоподъемность 300 кг
ОСУЩЕСТВЛЯЕМ ДОСТАВКУ ВО ВСЕ РЕГИОНЫ РОССИИ И ЗА ЕЕ ПРЕДЕЛЫ
  • Доставка по адресам, расположенным в пределах европейской части России, обычно занимает не более двух-трёх рабочих дней — с понедельника по пятницу.
  • Доставка по адресам, расположенным за пределами страны, обычно занимает больше времени, но мы стараемся отправлять наши заказы самым быстрым способом.
РАССЧИТАТЬ ДОСТАВКУ

Оплата с помощью банковской карты

Для выбора оплаты товара с помощью банковской карты на соответствующей странице сайта необходимо нажать кнопку «Оплата банковской картой». Оплата происходит через авторизационный сервер Процессингового центра Банка с использованием Банковских кредитных карт следующих платежных систем:

VISA International

MasterCard World Wide

ОПЛАТА ПО БАНКОВСКИМ КАРТАМ VISA

К оплате принимаются все виды платежных карточек VISA, за исключением Visa Electron. В большинстве случаев карта Visa Electron не применима для оплаты через интернет, за исключением карт, выпущенных отдельными банками. О возможности оплаты картой Visa Electron вам нужно выяснять у банка-эмитента вашей карты.

ОПЛАТА ПО КРЕДИТНЫМ КАРТАМ MASTERCARD

На сайте к оплате принимаются все виды MasterCard.


Оставить отзыв

Ваша оценка

Техническая документация

Официальный поставщик оборудования

Квалифицированные специалисты

Индивидуальный подход к каждому клиенту

Собственный склад оборудования

Будьте в курсе
Подпишитесь на последние обновления и узнавайте о новинках и специальных предложениях первыми
Email
Нажимая кнопку "Подписаться", вы подтверждаете согласие на обработку персональных данных