Робот Kawasaki ZH100U
Характеристики
- Производитель - Kawasaki
- Страна производитель - Япония
- Артикул - 195678
-
Любая форма оплаты
-
Прямые поставки от производителей
-
Доставка по всей территории РБ
Краткие характеристики:
| грузоподъемность: | 100 кг |
| радиус действия: | 1 634 мм |
| количество осей: | 6 |
| точность: | ±0,3 мм |
Области применения:
Сварка трением
Сборка
Обслуживание станков
Перемещение материалов
Механическая обработка
Распределение наполнителей
Промышленный робот ZH100U с максимальной грузоподъемностью 100 кг и небольшим рабочим радиусом подходит для сварки с использованием небольших сварочных клещей. Может быть установлен вблизи свариваемой детали.
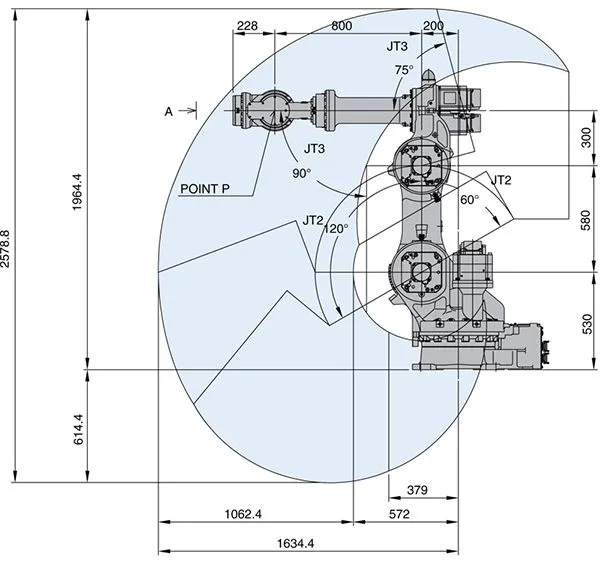
Размеры и диапазоны движения



Детальные характеристики
| ZH100U | |||
| Тип | Шарнирный робот | ||
|---|---|---|---|
| Управляемых осей (Степени свободы) | 6 | ||
| Полезная нагрузка на кисть (кг) | 100 | ||
| Предельная досягаемость (мм) | 1 634 | ||
| Повторяемость (мм) ✽1 | ±0.3 | ||
| Угол поворота (°) | Рука вращение (JT1) | ±160 | |
| Рука вперед-назад (JT2) | +120 - −60 | ||
| Рука вверх-вниз (JT3) | +75 - −90 | ||
| Запястье поворот (JT4) | ±360 | ||
| Запястье сгиб (JT5) | ±130 | ||
| Запястье вращение (JT6) | ±360 | ||
| Максимальная скорость (°/сек) | Рука вращение (JT1) | 140 | |
| Рука вперед-назад (JT2) | 100 | ||
| Рука вверх-вниз (JT3) | 100 | ||
| Запястье поворот (JT4) | 150 | ||
| Запястье сгиб (JT5) | 150 | ||
| Запястье вращение (JT6) | 250 | ||
| Момент силы (N•м)✽2 | Запястье поворот (JT4) | 874 | |
| Запястье сгиб (JT5) | 874 | ||
| Запястье вращение (JT6) | 392 | ||
| Момент инерции (кг•м2)✽2 | Запястье поворот (JT4) | 90.0 | |
| Запястье сгиб (JT5) | 90.0 | ||
| Запястье вращение (JT6) | 20.0 | ||
| Масса (кг) | 750 | ||
| Цвет корпуса | соответствует Munsell 10GY9/1 | ||
| Монтажное положение | Пол | ||
| Требования по электропитанию (kVA)✽3 | 7.5 | ||
| Контроллер | Америка и Европа | E02 | |
| Япония и Азия | E02 | ||
✽1: Значение соответствует ISO9283.
✽2: в случае использования лицевой панели, которая поддерживается соответствующими болтами и штифтами.
✽3: В зависимости от нагрузки и характера движения.
Видеообзор модели:
| Артикул | 195678 |
| Производитель | Kawasaki |
| Страна производитель | Япония |
- Доставка по адресам, расположенным в пределах европейской части России, обычно занимает не более двух-трёх рабочих дней — с понедельника по пятницу.
- Доставка по адресам, расположенным за пределами страны, обычно занимает больше времени, но мы стараемся отправлять наши заказы самым быстрым способом.
Оплата с помощью банковской карты
Для выбора оплаты товара с помощью банковской карты на соответствующей странице сайта необходимо нажать кнопку «Оплата банковской картой». Оплата происходит через авторизационный сервер Процессингового центра Банка с использованием Банковских кредитных карт следующих платежных систем:
VISA International
MasterCard World Wide
К оплате принимаются все виды платежных карточек VISA, за исключением Visa Electron. В большинстве случаев карта Visa Electron не применима для оплаты через интернет, за исключением карт, выпущенных отдельными банками. О возможности оплаты картой Visa Electron вам нужно выяснять у банка-эмитента вашей карты.
На сайте к оплате принимаются все виды MasterCard.
Оставить отзыв
Официальный поставщик оборудования
Квалифицированные специалисты
Индивидуальный подход к каждому клиенту
Собственный склад оборудования
КАТАЛОГ ТОВАРОВ
Запросить КП
Информация о доставке и оплате
Гарантия и обслуживание