+375 44 707-00-53

Режим работы: Пн - Пт с 10:00 до 17:00

Сравнение

Личный кабинет

Робот Kawasaki RS050N

Поделиться в социальных сетях
Артикул 195673
Робот Kawasaki RS050N
Робот Kawasaki RS050N
Робот Kawasaki RS050N
Робот Kawasaki RS050N
Под заказ
Цена по запросу
Робот Kawasaki RS050N
Робот Kawasaki RS050N
Робот Kawasaki RS050N
Робот Kawasaki RS050N

Характеристики

  • Производитель - Kawasaki
  • Страна производитель - Япония
Все характеристики
Дополнительные услуги
Пусконаладочные работы
Демонстрация оборудования
Стартовый набор для работы
  • Любая форма оплаты
  • Прямые поставки от производителей
  • Доставка по всей территории РБ

Во всех отраслях промышленности роботы серии R от Kawasaki устанавливают стандарты для роботов малой и средней нагрузки, предельно расширяя их возможности по скорости и досягаемости. Компактная конструкция этих роботов позволяет применять их в широком спектре задач. В частности, робот Kawasaki RS050N, компактный и быстрый, способен решить широкий спектр производственных задач, которые подлежат автоматизации.


грузоподъемность: 50 кг
радиус действия: 2 100 мм
количество осей: 6
точность: ±0,06 мм

Области применения:

  • Сборка
  • Обслуживание станков
  • Перемещение материалов
  • Механическая обработка
  • Распределение наполнителей
  • Газодинамическое напыление

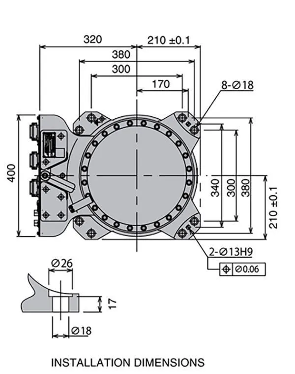
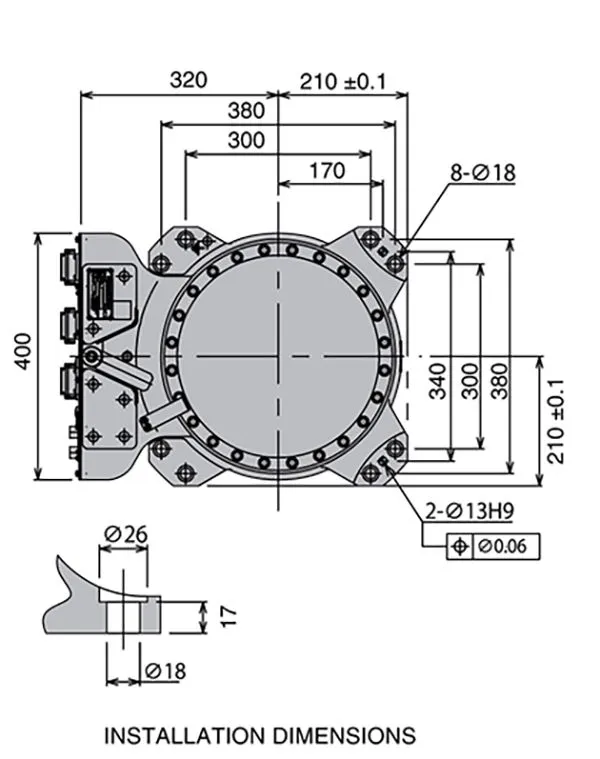
Размеры и диапазоны движения

Kawasaki RS050N 2.jpeg

Kawasaki RS050N 3.jpeg

Kawasaki RS050N 4.jpeg


Характеристики:

Тип Шарнирный робот
Управляемых осей (Степени свободы) 6
Полезная нагрузка на кисть (кг) 50
Предельная досягаемость (мм) 2 100
Повторяемость (мм) ✽1 ±0.06
Угол поворота (°) Рука вращение (JT1) ±180
Рука вперед-назад (JT2) +140 - −105
Рука вверх-вниз (JT3) +135 - −155
Запястье поворот (JT4) ±360
Запястье сгиб (JT5) ±145
Запястье вращение (JT6) ±360
Максимальная скорость (°/s) Рука вращение (JT1) 180
Рука вперед-назад (JT2) 180
Рука вверх-вниз (JT3) 185
Запястье поворот (JT4) 260
Запястье сгиб (JT5) 260
Запястье вращение (JT6) 360
Момент силы (N•м) Запястье поворот (JT4) 210
Запястье сгиб (JT5) 210
Запястье вращение (JT6) 130
Момент инерции (кг•м2) Запястье поворот (JT4) 28
Запястье сгиб (JT5) 28
Запястье вращение (JT6) 11
Масса (кг) 555
Цвет корпуса соответствует Munsell 10GY9/1
Монтажное положение Пол, потолок
Условия окружающей среды (эксплуатации) Температурный режим (°C) 0 - 45
Относительная влажность (%) 35 - 85 (строгое отсутствие конденсата или инея)
Требования по электропитанию (kVA) ✽2 4.5
Степень защиты Запястье: соответствует IP67 / Корпус / рука: соответствует IP65
Контроллер E02

✽1: Значение соответствует ISO9283.
✽2: В зависимости от нагрузки и характера движения.

Видеообзор модели:

Артикул 195673
Производитель Kawasaki
Страна производитель Япония
Досягаемость 2100 мм
Количество осей 6
Точность сканирования 0,06 мм
Грузоподъемность 50 кг
ОСУЩЕСТВЛЯЕМ ДОСТАВКУ ВО ВСЕ РЕГИОНЫ РОССИИ И ЗА ЕЕ ПРЕДЕЛЫ
  • Доставка по адресам, расположенным в пределах европейской части России, обычно занимает не более двух-трёх рабочих дней — с понедельника по пятницу.
  • Доставка по адресам, расположенным за пределами страны, обычно занимает больше времени, но мы стараемся отправлять наши заказы самым быстрым способом.
РАССЧИТАТЬ ДОСТАВКУ

Оплата с помощью банковской карты

Для выбора оплаты товара с помощью банковской карты на соответствующей странице сайта необходимо нажать кнопку «Оплата банковской картой». Оплата происходит через авторизационный сервер Процессингового центра Банка с использованием Банковских кредитных карт следующих платежных систем:

VISA International

MasterCard World Wide

ОПЛАТА ПО БАНКОВСКИМ КАРТАМ VISA

К оплате принимаются все виды платежных карточек VISA, за исключением Visa Electron. В большинстве случаев карта Visa Electron не применима для оплаты через интернет, за исключением карт, выпущенных отдельными банками. О возможности оплаты картой Visa Electron вам нужно выяснять у банка-эмитента вашей карты.

ОПЛАТА ПО КРЕДИТНЫМ КАРТАМ MASTERCARD

На сайте к оплате принимаются все виды MasterCard.


Оставить отзыв

Ваша оценка

Техническая документация

Официальный поставщик оборудования

Квалифицированные специалисты

Индивидуальный подход к каждому клиенту

Собственный склад оборудования

Будьте в курсе
Подпишитесь на последние обновления и узнавайте о новинках и специальных предложениях первыми
Email
Нажимая кнопку "Подписаться", вы подтверждаете согласие на обработку персональных данных