+375 44 707-00-53

Режим работы: Пн - Пт с 10:00 до 17:00

Сравнение

Личный кабинет

Робот Kawasaki RS025N

Поделиться в социальных сетях
Артикул 199093
Робот Kawasaki RS025N
Робот Kawasaki RS025N
Робот Kawasaki RS025N
Под заказ
Цена по запросу
Робот Kawasaki RS025N
Робот Kawasaki RS025N
Робот Kawasaki RS025N

Характеристики

  • Производитель - Kawasaki
  • Страна производитель - Япония
Все характеристики
Дополнительные услуги
Пусконаладочные работы
Демонстрация оборудования
Стартовый набор для работы
  • Любая форма оплаты
  • Прямые поставки от производителей
  • Доставка по всей территории РБ
В отрасли промышленных роботов Kawasaki серии RS были установлены новые стандарты в скорости и досягаемости. В частности, робот Kawasaki RS025N, компактный и быстрый, способен решить широкий спектр производственных задач, которые подлежат автоматизации.


грузоподъемность: 25 кг
радиус действия: 1885 мм
количество осей: 6
точность: ±0.04 мм

Области применения:

  • Сборка
  • Обслуживание станков
  • Перемещение материалов
  • Механическая обработка
  • Распределение наполнителей
  • Газодинамическое напыление

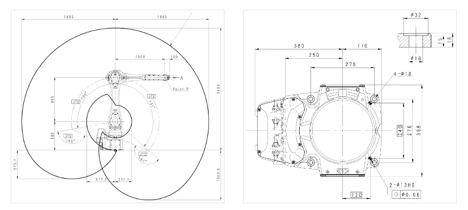
Размеры и диапазоны движения:

image_2023-09-05_18-20-01.png

Характеристики:

Тип Шарнирный робот
Управляемых осей (Степени свободы) 6
Полезная нагрузка на кисть (кг) 25
Предельная досягаемость (мм) 1 885
Повторяемость (мм) ✽1 ±0.04
Угол поворота (°) Рука вращение (JT1) ±180
Рука вперед-назад (JT2) +1531 - −100
Рука вверх-вниз (JT3) +145 - −161
Запястье поворот (JT4) ±270
Запястье сгиб (JT5) ±145
Запястье вращение (JT6) ±360
Максимальная скорость (°/s) Рука вращение (JT1) 215
Рука вперед-назад (JT2) 215
Рука вверх-вниз (JT3) 270
Запястье поворот (JT4) 420
Запястье сгиб (JT5) 420
Запястье вращение (JT6) 780
Момент силы (N•м) Запястье поворот (JT4) 60
Запястье сгиб (JT5) 60
Запястье вращение (JT6) 32
Момент инерции (кг•м2) Запястье поворот (JT4) 2.6
Запястье сгиб (JT5) 2.6
Запястье вращение (JT6) 1.3
Масса (кг) 270
Цвет корпуса соответствует Munsell 10GY9/1
Монтажное положение Пол
Условия окружающей среды (эксплуатации) Температурный режим (°C) 0 - 45
Относительная влажность (%) 35 - 85 (строгое отсутствие конденсата или инея)
Требования по электропитанию (kVA) ✽2 3.0
Степень защиты Запястье: соответствует IP67 / Корпус / рука: соответствует IP65
Контроллер E01

✽1: Значение соответствует ISO9283.
✽2: В зависимости от нагрузки и характера движения.


Видеообзор модели:


Артикул 199093
Производитель Kawasaki
Страна производитель Япония
Досягаемость 1885 мм
Количество осей 6
Точность сканирования ±0.04 мм
Грузоподъемность 25 кг
Тип оборудования Роботы
ОСУЩЕСТВЛЯЕМ ДОСТАВКУ ВО ВСЕ РЕГИОНЫ РОССИИ И ЗА ЕЕ ПРЕДЕЛЫ
  • Доставка по адресам, расположенным в пределах европейской части России, обычно занимает не более двух-трёх рабочих дней — с понедельника по пятницу.
  • Доставка по адресам, расположенным за пределами страны, обычно занимает больше времени, но мы стараемся отправлять наши заказы самым быстрым способом.
РАССЧИТАТЬ ДОСТАВКУ

Оплата с помощью банковской карты

Для выбора оплаты товара с помощью банковской карты на соответствующей странице сайта необходимо нажать кнопку «Оплата банковской картой». Оплата происходит через авторизационный сервер Процессингового центра Банка с использованием Банковских кредитных карт следующих платежных систем:

VISA International

MasterCard World Wide

ОПЛАТА ПО БАНКОВСКИМ КАРТАМ VISA

К оплате принимаются все виды платежных карточек VISA, за исключением Visa Electron. В большинстве случаев карта Visa Electron не применима для оплаты через интернет, за исключением карт, выпущенных отдельными банками. О возможности оплаты картой Visa Electron вам нужно выяснять у банка-эмитента вашей карты.

ОПЛАТА ПО КРЕДИТНЫМ КАРТАМ MASTERCARD

На сайте к оплате принимаются все виды MasterCard.


Оставить отзыв

Ваша оценка

Техническая документация

Официальный поставщик оборудования

Квалифицированные специалисты

Индивидуальный подход к каждому клиенту

Собственный склад оборудования

Будьте в курсе
Подпишитесь на последние обновления и узнавайте о новинках и специальных предложениях первыми
Email
Нажимая кнопку "Подписаться", вы подтверждаете согласие на обработку персональных данных