+375 44 707-00-53

Режим работы: Пн - Пт с 10:00 до 17:00

Сравнение

Личный кабинет

Робот Kawasaki RS007N

Поделиться в социальных сетях
Артикул 195665
Робот Kawasaki RS007N
Робот Kawasaki RS007N
Робот Kawasaki RS007N
Робот Kawasaki RS007N
Под заказ
Цена по запросу
Робот Kawasaki RS007N
Робот Kawasaki RS007N
Робот Kawasaki RS007N
Робот Kawasaki RS007N

Характеристики

  • Производитель - Kawasaki
  • Страна производитель - Япония
Все характеристики
Дополнительные услуги
Пусконаладочные работы
Демонстрация оборудования
Стартовый набор для работы
  • Любая форма оплаты
  • Прямые поставки от производителей
  • Доставка по всей территории РБ

Установка новых отраслевых стандартов в компактности, досягаемости, скорости и точности - это основная цель модели Kawasaki RS007N, предназначенной для выполнения самого широкого спектра операций в различных отраслях промышленности. В линейке промышленных роботов малой и средней загрузки Kawasaki присутствует значительное количество улучшений, которые позволяют достичь высоких результатов в производственных процессах.

грузоподъемность: 7 кг
радиус действия: 730 мм
количество осей: 6
точность: ±0,02 мм

Области применения:

  • Сборка
  • Обслуживание станков
  • Перемещение материалов
  • Механическая обработка
  • Распределение наполнителей
  • Газодинамическое напыление

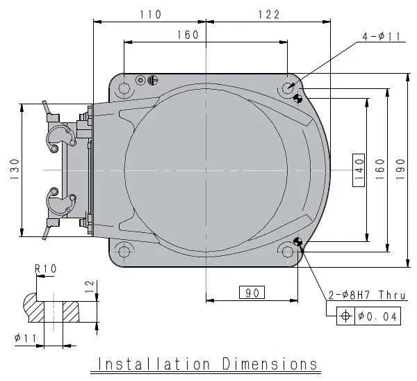
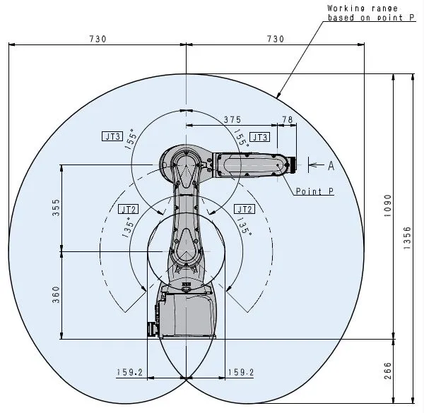
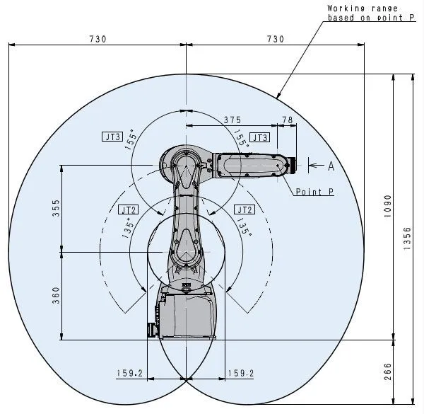
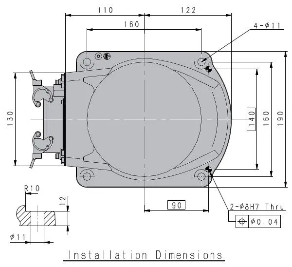
Размеры и диапазоны движения

Kawasaki RS007N 2.jpeg

Kawasaki RS007N 3.jpeg

Kawasaki RS007N 4.jpeg

Характеристики:

Тип Шарнирный робот
Управляемых осей (Степени свободы) 6
Полезная нагрузка на кисть (кг) 7
Предельная досягаемость (мм) 730
Повторяемость (мм) ✽1 ±0.02
Угол поворота (°) Рука вращение (JT1) ±180
Рука вперед-назад (JT2) ±135
Рука вверх-вниз (JT3) ±155
Запястье поворот (JT4) ±200
Запястье сгиб (JT5) ±125
Запястье вращение (JT6) ±360
Максимальная скорость (°/s) Рука вращение (JT1) 470
Рука вперед-назад (JT2) 380
Рука вверх-вниз (JT3) 520
Запястье поворот (JT4) 550
Запястье сгиб (JT5) 550
Запястье вращение (JT6) 1 000
Момент силы (N•м) Запястье поворот (JT4) 17
Запястье сгиб (JT5) 17
Запястье вращение (JT6) 10
Момент инерции (кг•м2) Запястье поворот (JT4) 0.5
Запястье сгиб (JT5) 0.5
Запястье вращение (JT6) 0.2
Масса (кг) 35
Цвет корпуса соответствует Munsell 10GY9/1
Монтажное положение Пол, потолок
Условия окружающей среды (эксплуатации) Температурный режим (°C) 0 - 45
Относительная влажность (%) 35 - 85 (строгое отсутствие конденсата или инея)
Требования по электропитанию (kVA) ✽2 2.0
Степень защиты Запястье: соответствует IP67 / Корпус / рука: соответствует IP65
Контроллер F60

✽1: Значение соответствует ISO9283.
✽2: В зависимости от нагрузки и характера движения.

Видеообзор модели:

Артикул 195665
Производитель Kawasaki
Страна производитель Япония
Досягаемость 730 мм
Количество осей 6
Точность сканирования 0.02 мм
Грузоподъемность 7 кг
Тип роботов Роботы общего назначения (полезная нагрузка 3-80 кг)
Монтажное положение Потолок, Пол
ОСУЩЕСТВЛЯЕМ ДОСТАВКУ ВО ВСЕ РЕГИОНЫ РОССИИ И ЗА ЕЕ ПРЕДЕЛЫ
  • Доставка по адресам, расположенным в пределах европейской части России, обычно занимает не более двух-трёх рабочих дней — с понедельника по пятницу.
  • Доставка по адресам, расположенным за пределами страны, обычно занимает больше времени, но мы стараемся отправлять наши заказы самым быстрым способом.
РАССЧИТАТЬ ДОСТАВКУ

Оплата с помощью банковской карты

Для выбора оплаты товара с помощью банковской карты на соответствующей странице сайта необходимо нажать кнопку «Оплата банковской картой». Оплата происходит через авторизационный сервер Процессингового центра Банка с использованием Банковских кредитных карт следующих платежных систем:

VISA International

MasterCard World Wide

ОПЛАТА ПО БАНКОВСКИМ КАРТАМ VISA

К оплате принимаются все виды платежных карточек VISA, за исключением Visa Electron. В большинстве случаев карта Visa Electron не применима для оплаты через интернет, за исключением карт, выпущенных отдельными банками. О возможности оплаты картой Visa Electron вам нужно выяснять у банка-эмитента вашей карты.

ОПЛАТА ПО КРЕДИТНЫМ КАРТАМ MASTERCARD

На сайте к оплате принимаются все виды MasterCard.


Оставить отзыв

Ваша оценка

Техническая документация

Официальный поставщик оборудования

Квалифицированные специалисты

Индивидуальный подход к каждому клиенту

Собственный склад оборудования

Будьте в курсе
Подпишитесь на последние обновления и узнавайте о новинках и специальных предложениях первыми
Email
Нажимая кнопку "Подписаться", вы подтверждаете согласие на обработку персональных данных