+375 44 707-00-53

Режим работы: Пн - Пт с 10:00 до 17:00

Сравнение

Личный кабинет

Робот Kawasaki BX100S

Поделиться в социальных сетях
Артикул 195613
Робот Kawasaki BX100S

Характеристики

  • Производитель - Kawasaki
  • Страна производитель - Япония
Все характеристики
Дополнительные услуги
Пусконаладочные работы
Демонстрация оборудования
Стартовый набор для работы
  • Любая форма оплаты
  • Прямые поставки от производителей
  • Доставка по всей территории РБ

Самый маленький и быстрый робот серии В - BX100S с полым запястьем для кабелей и шлангов в корпусе. Его конструкция с малым радиусом действия подходит для небольших и легких сварочных клещей, а также позволяет устанавливать его рядом с заготовкой в условиях высокой плотности.
Kawasaki BX100S был специально разработан для электродуговой и контактной сварки. Опыт применения роботизированных устройств в автопромышленности учтен при его проектировании. Он компактный, но мощный, объединяющий в себе гибкость, эффективность и многофункциональность, необходимые для точечной сварки. Благодаря мощным двигателям, время работы сокращается на 20%. Кабели протянуты через "руку" робота, что обеспечивает защиту коммуникации рабочего инструмента от внешних повреждений.

Краткие характеристики:

грузоподъемность: 100 кг
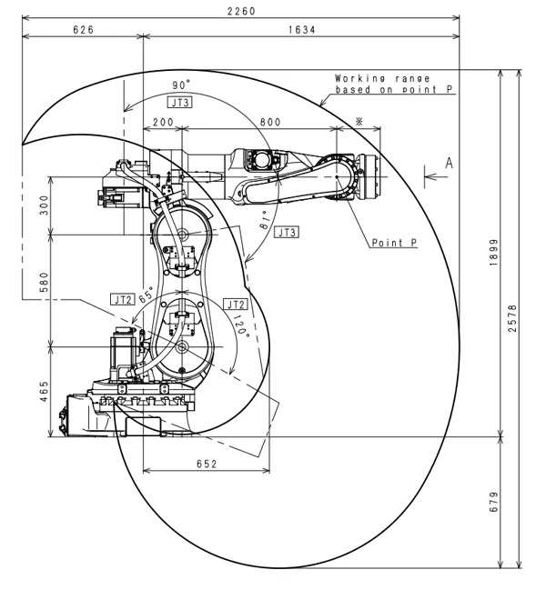
радиус действия: 1 634 мм
количество осей: 6
точность: ±0,06 мм

Области применения:

  • Сборка
  • Сварка трением
  • Перемещение материалов
  • Распределение наполнителей
  • Обслуживание станков
  • Точечная сварка
  • Очистка материалов
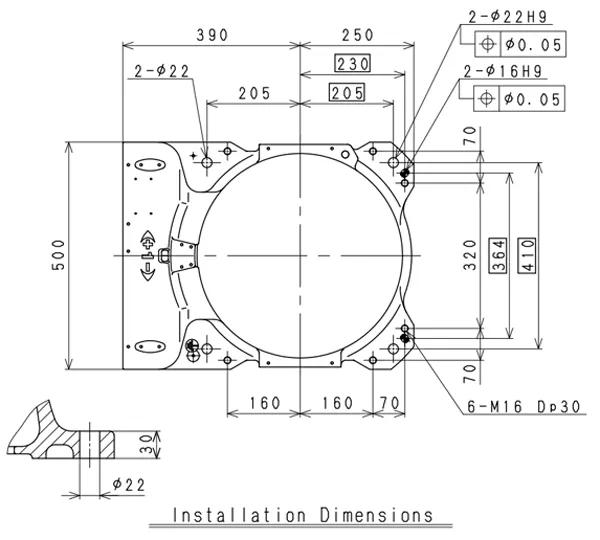
  • Размеры и диапазоны движения

    Kawasaki BX100S 2.png

    Kawasaki BX100S 3.png

    Kawasaki BX100S 4.png


    Технические характеристики:

    Тип Шарнирный робот
    Управляемых осей (Степени свободы) 6
    Полезная нагрузка на кисть (кг) 100
    Предельная досягаемость (мм) 1 634
    Повторяемость (мм) ✽1 ±0.06
    Угол поворота (°) Рука вращение (JT1) ±160
    Рука вперед-назад (JT2) +120 - −65
    Рука вверх-вниз (JT3) +90 - −81
    Запястье поворот (JT4) ±210
    Запястье сгиб (JT5) ±125
    Запястье вращение (JT6) ±210
    Максимальная скорость (°/s) Рука вращение (JT1) 135
    Рука вперед-назад (JT2) 125
    Рука вверх-вниз (JT3) 155
    Запястье поворот (JT4) 200
    Запястье сгиб (JT5) 160
    Запястье вращение (JT6) 300
    Момент силы (N•м) Запястье поворот (JT4) 830
    Запястье сгиб (JT5) 830
    Запястье вращение (JT6) 441
    Момент инерции (кг•м2) Запястье поворот (JT4) 85
    Запястье сгиб (JT5) 85
    Запястье вращение (JT6) 45
    Масса (кг) 720
    Цвет корпуса соответствует Munsell 10GY9/1
    Монтажное положение Пол
    Условия окружающей среды (эксплуатации) Температурный режим (°C) 0 - 45
    Относительная влажность (%) 35 - 85 (строгое отсутствие конденсата или инея)
    Требования по электропитанию (kVA) ✽2 5.0
    Степень защиты Запястье: соответствует IP67 / Корпус / рука: соответствует IP54
    Контроллер Америка E02
    Европа E02
    Япония и Азия E02

    ✽1: Значение соответствует ISO9283.
    ✽2: В зависимости от нагрузки и характера движения.

    Видеообзор модели:

    Артикул 195613
    Производитель Kawasaki
    Страна производитель Япония
    Досягаемость 1634 мм
    Количество осей 6
    Повторяемость ±0.06 мм
    Грузоподъемность 100 кг
    Тип роботов Шарнирный робот
    ОСУЩЕСТВЛЯЕМ ДОСТАВКУ ВО ВСЕ РЕГИОНЫ РОССИИ И ЗА ЕЕ ПРЕДЕЛЫ
    • Доставка по адресам, расположенным в пределах европейской части России, обычно занимает не более двух-трёх рабочих дней — с понедельника по пятницу.
    • Доставка по адресам, расположенным за пределами страны, обычно занимает больше времени, но мы стараемся отправлять наши заказы самым быстрым способом.
    РАССЧИТАТЬ ДОСТАВКУ

    Оплата с помощью банковской карты

    Для выбора оплаты товара с помощью банковской карты на соответствующей странице сайта необходимо нажать кнопку «Оплата банковской картой». Оплата происходит через авторизационный сервер Процессингового центра Банка с использованием Банковских кредитных карт следующих платежных систем:

    VISA International

    MasterCard World Wide

    ОПЛАТА ПО БАНКОВСКИМ КАРТАМ VISA

    К оплате принимаются все виды платежных карточек VISA, за исключением Visa Electron. В большинстве случаев карта Visa Electron не применима для оплаты через интернет, за исключением карт, выпущенных отдельными банками. О возможности оплаты картой Visa Electron вам нужно выяснять у банка-эмитента вашей карты.

    ОПЛАТА ПО КРЕДИТНЫМ КАРТАМ MASTERCARD

    На сайте к оплате принимаются все виды MasterCard.


    Оставить отзыв

    Ваша оценка

    Техническая документация

    Официальный поставщик оборудования

    Квалифицированные специалисты

    Индивидуальный подход к каждому клиенту

    Собственный склад оборудования

    Будьте в курсе
    Подпишитесь на последние обновления и узнавайте о новинках и специальных предложениях первыми
    Email
    Нажимая кнопку "Подписаться", вы подтверждаете согласие на обработку персональных данных