Робот для точечной сварки Kawasaki BX300L
-
Любая форма оплаты
-
Прямые поставки от производителей
-
Доставка по всей территории РБ
Краткие характеристики:
| грузоподъемность: | 300 кг |
| количество осей: | 6 |
| точность: | ±0,07 мм |
Области применения:
Сварка трением
Обслуживание станков
Перемещение материалов
Механическая обработка
Самый грузоподъемный высокоскоростной робот серии B (полезная нагрузка до 300 кг) для точечной сварки BX300L с широкой рабочей зоной и полым запястьем для размещения кабелей и шлангов внутри корпуса.
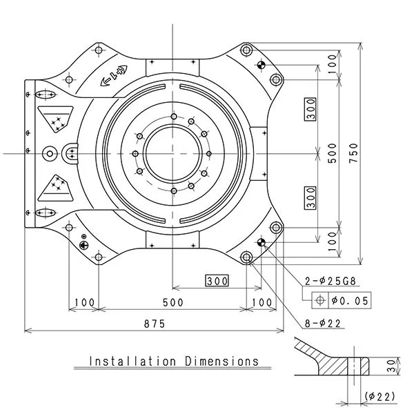
Размеры и диапазоны движения



Детальные характеристики
| BX300L | |||
| Тип | Шарнирный робот | ||
|---|---|---|---|
| Управляемых осей (Степени свободы) | 6 | ||
| Полезная нагрузка на кисть (кг) | 300 | ||
| Предельная досягаемость (мм) | 2 812 | ||
| Повторяемость (мм) ✽1 | ±0.07 | ||
| Угол поворота (°) | Рука вращение (JT1) | ±180 | |
| Рука вперед-назад (JT2) | +76 - −60 | ||
| Рука вверх-вниз (JT3) | +90 - −120 | ||
| Запястье поворот (JT4) | ±210 | ||
| Запястье сгиб (JT5) | ±125 | ||
| Запястье вращение (JT6) | ±210 | ||
| Максимальная скорость (°/s) | Рука вращение (JT1) | 125 | |
| Рука вперед-назад (JT2) | 102 | ||
| Рука вверх-вниз (JT3) | 85 | ||
| Запястье поворот (JT4) | 105 | ||
| Запястье сгиб (JT5) | 110 | ||
| Запястье вращение (JT6) | 180 | ||
| Момент силы (N•м) | Запястье поворот (JT4) | 2 300 | |
| Запястье сгиб (JT5) | 2 300 | ||
| Запястье вращение (JT6) | 1 000 | ||
| Момент инерции (кг•м2) | Запястье поворот (JT4) | 240 | |
| Запястье сгиб (JT5) | 240 | ||
| Запястье вращение (JT6) | 200 | ||
| Масса (кг) | 1 460 | ||
| Цвет корпуса | соответствует Munsell 10GY9/1 | ||
| Монтажное положение | Пол | ||
| Условия окружающей среды (эксплуатации) | Температурный режим (°C) | 0 - 45 | |
| Относительная влажность (%) | 35 - 85 (строгое отсутствие конденсата или инея) | ||
| Требования по электропитанию (kVA) ✽2 | 7.5 | ||
| Степень защиты | Запястье: соответствует IP67 / Корпус / рука: соответствует IP54 | ||
| Контроллер | Америка | E02 | |
| Европа | E02 | ||
| Япония и Азия | E02 | ||
✽1: Значение соответствует ISO9283.
✽2: В зависимости от нагрузки и характера движения.
Видеообзор модели:
| Артикул | 195620 |
| Производитель | Kawasaki |
- Доставка по адресам, расположенным в пределах европейской части России, обычно занимает не более двух-трёх рабочих дней — с понедельника по пятницу.
- Доставка по адресам, расположенным за пределами страны, обычно занимает больше времени, но мы стараемся отправлять наши заказы самым быстрым способом.
Оплата с помощью банковской карты
Для выбора оплаты товара с помощью банковской карты на соответствующей странице сайта необходимо нажать кнопку «Оплата банковской картой». Оплата происходит через авторизационный сервер Процессингового центра Банка с использованием Банковских кредитных карт следующих платежных систем:
VISA International
MasterCard World Wide
К оплате принимаются все виды платежных карточек VISA, за исключением Visa Electron. В большинстве случаев карта Visa Electron не применима для оплаты через интернет, за исключением карт, выпущенных отдельными банками. О возможности оплаты картой Visa Electron вам нужно выяснять у банка-эмитента вашей карты.
На сайте к оплате принимаются все виды MasterCard.
Оставить отзыв
Официальный поставщик оборудования
Квалифицированные специалисты
Индивидуальный подход к каждому клиенту
Собственный склад оборудования
КАТАЛОГ ТОВАРОВ
Запросить КП
Информация о доставке и оплате
Гарантия и обслуживание