+375 44 707-00-53

Режим работы: Пн - Пт с 10:00 до 17:00

Сравнение

Личный кабинет

Робот для сварки Kawasaki RA010L

Поделиться в социальных сетях
Артикул 195656
Робот для сварки Kawasaki RA010L
Робот для сварки Kawasaki RA010L
Робот для сварки Kawasaki RA010L
Робот для сварки Kawasaki RA010L
Под заказ
Цена по запросу
Робот для сварки Kawasaki RA010L
Робот для сварки Kawasaki RA010L
Робот для сварки Kawasaki RA010L
Робот для сварки Kawasaki RA010L

Характеристики

  • Производитель - Kawasaki
  • Страна производитель - Япония
Все характеристики
Дополнительные услуги
Пусконаладочные работы
Демонстрация оборудования
Стартовый набор для работы
  • Любая форма оплаты
  • Прямые поставки от производителей
  • Доставка по всей территории РБ

Для дуговой сварки больших конструкций предназначен робот RA010L от Kawasaki, который имеет предельную досягаемость 1 925 мм. Роботы Kawasaki данной серии обладают способностью заменить квалифицированного сварщика в процессе дуговой сварки, они также гарантируют высокое качество сварочного шва благодаря современным технологиям.

грузоподъемность: 10 кг
радиус действия: 1 925 мм
количество осей: 6
точность: ±0,05 мм

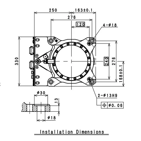
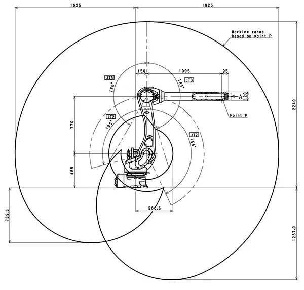
Размеры и диапазоны движения

Kawasaki RA010L 2.jpeg

Kawasaki RA010L 3.jpeg

Kawasaki RA010L 4.jpeg

Характеристики:

Тип Шарнирный робот
Управляемых осей (степеней свободы) 6
Полезная нагрузка на кисть (кг) 10
Предельная досягаемость (мм) 1 925
Повторяемость (мм) ✽1 ±0.05
Угол поворота (°) Рука вращение (JT1) ±180
Рука вперед-назад (JT2) +155 - −105
Рука вверх-вниз (JT3) +150 - −163
Запястье поворот (JT4) ±270
Запястье сгиб (JT5) ±145
Запястье вращение (JT6) ±360
Максимальная скорость (°/s) Рука вращение (JT1) 190
Рука вперед-назад (JT2) 205
Рука вверх-вниз (JT3) 210
Запястье поворот (JT4) 400
Запястье сгиб (JT5) 360
Запястье вращение (JT6) 610
Момент силы (N•м) Запястье поворот (JT4) 22
Запястье сгиб (JT5) 22
Запястье вращение (JT6) 10
Момент инерции (кг•м2) Запястье поворот (JT4) 0.7
Запястье сгиб (JT5) 0.7
Запястье вращение (JT6) 0.2
Масса (кг) 230
Цвет корпуса соответствует Munsell 10GY9/1
Монтажное положение Пол, потолок
Условия окружающей среды (эксплуатации) Температурный режим (°C) 0 - 45
Относительная влажность (%) 35 - 85 (строгое отсутствие конденсата или инея)
Требования по электропитанию (kVA) ✽2 3.0
Степень защиты IP65
Контроллер Америка E01
Европа
Япония и Азия

✽1: Значение соответствует ISO9283.
✽2: В зависимости от нагрузки и характера движения.

Видеообзор модели:

Артикул 195656
Производитель Kawasaki
Страна производитель Япония
Досягаемость 1 925 мм
Количество осей 6
Применение Дуговая сварка
Точность сканирования 0.05 мм
Грузоподъемность 10 кг
ОСУЩЕСТВЛЯЕМ ДОСТАВКУ ВО ВСЕ РЕГИОНЫ РОССИИ И ЗА ЕЕ ПРЕДЕЛЫ
  • Доставка по адресам, расположенным в пределах европейской части России, обычно занимает не более двух-трёх рабочих дней — с понедельника по пятницу.
  • Доставка по адресам, расположенным за пределами страны, обычно занимает больше времени, но мы стараемся отправлять наши заказы самым быстрым способом.
РАССЧИТАТЬ ДОСТАВКУ

Оплата с помощью банковской карты

Для выбора оплаты товара с помощью банковской карты на соответствующей странице сайта необходимо нажать кнопку «Оплата банковской картой». Оплата происходит через авторизационный сервер Процессингового центра Банка с использованием Банковских кредитных карт следующих платежных систем:

VISA International

MasterCard World Wide

ОПЛАТА ПО БАНКОВСКИМ КАРТАМ VISA

К оплате принимаются все виды платежных карточек VISA, за исключением Visa Electron. В большинстве случаев карта Visa Electron не применима для оплаты через интернет, за исключением карт, выпущенных отдельными банками. О возможности оплаты картой Visa Electron вам нужно выяснять у банка-эмитента вашей карты.

ОПЛАТА ПО КРЕДИТНЫМ КАРТАМ MASTERCARD

На сайте к оплате принимаются все виды MasterCard.


Оставить отзыв

Ваша оценка

Техническая документация

Официальный поставщик оборудования

Квалифицированные специалисты

Индивидуальный подход к каждому клиенту

Собственный склад оборудования

Будьте в курсе
Подпишитесь на последние обновления и узнавайте о новинках и специальных предложениях первыми
Email
Нажимая кнопку "Подписаться", вы подтверждаете согласие на обработку персональных данных