+375 44 707-00-53

Режим работы: Пн - Пт с 10:00 до 17:00

Сравнение

Личный кабинет

Робот для покраски Kawasaki KG264

Поделиться в социальных сетях
Артикул 195637
Робот для покраски Kawasaki KG264

Характеристики

  • Производитель - Kawasaki
Все характеристики
Дополнительные услуги
Пусконаладочные работы
Демонстрация оборудования
Стартовый набор для работы
  • Любая форма оплаты
  • Прямые поставки от производителей
  • Доставка по всей территории РБ

Краткие характеристики:

грузоподъемность: 20 кг
радиус действия: 2 665 мм

Области применения:

Покраска

Взрывозащищенный окрасочный робот KG264 отличается увеличенным радиусом действия и полым запястьем 3R (Roll, Roll, Roll) с внутренним диаметром 70 мм для размещения шлангов.

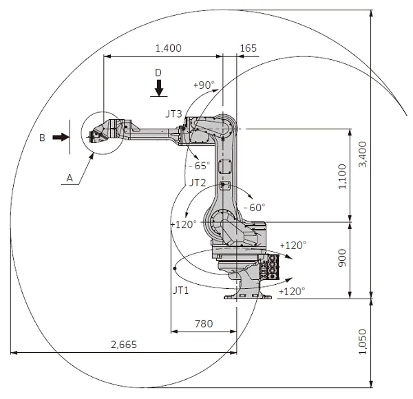
Размеры и диапазоны движения

Kawasaki KG264 2.png

Kawasaki KG264 3.png

Kawasaki KG264 4.png

Детальные характеристики

KG264
Тип запястья 3Rø70 ✽1
Управляемых осей (Степени свободы) 6
Полезная нагрузка на кисть (кг) Запястье: 20 Рука: 30
Предельная досягаемость (мм) ✽2 2 665
Повторяемость (мм) ✽3 ±0.5
Угол поворота (°) Рука вращение (JT1) ±120
Рука вперед-назад (JT2) +120 - −60
Рука вверх-вниз (JT3) +90 - −65
Запястье поворот (JT4) ±720
Запястье сгиб (JT5) ±720
Запястье вращение (JT6) ±410
Момент силы (N•м) Запястье поворот (JT4) 79.9
Запястье сгиб (JT5) 61.3
Запястье вращение (JT6) 15.6
Момент инерции (кг•м2) Запястье поворот (JT4) 3.33
Запястье сгиб (JT5) 1.95
Запястье вращение (JT6) 0.12
Максимальная скорость (м/сек) 1.5
Масса (кг) 795
Цвет корпуса соответствует Munsell 10GY9/1
Монтажное положение Пол, стена
Взрывозащита Европа, Китай, Корея Сочетание датчика внутреннего давления и искробезопасного исполнения (Ⅱ2G Expxib ⅡB T4 / Exib ⅡB T4)
Условия окружающей среды (эксплуатации) Температурный режим (°C) 0 - 40
Относительная влажность (%) 35 - 85 (строгое отсутствие конденсата или инея)
Требования по электропитанию (kVA) ✽4 5
Контроллер America -
Europe E45
Japan & Asia E25

✽1: Встроенный шланг.

✽2: Запястье 3R (Roll Roll Roll) в 6-ти осевом - это расстояние от центра JT1 до пересечения JT4 и JT5.

✽3: Значение соответствует ISO9283.

✽4: В зависимости от нагрузки и характера движения.

Видеообзор модели:





Артикул 195637
Производитель Kawasaki
ОСУЩЕСТВЛЯЕМ ДОСТАВКУ ВО ВСЕ РЕГИОНЫ РОССИИ И ЗА ЕЕ ПРЕДЕЛЫ
  • Доставка по адресам, расположенным в пределах европейской части России, обычно занимает не более двух-трёх рабочих дней — с понедельника по пятницу.
  • Доставка по адресам, расположенным за пределами страны, обычно занимает больше времени, но мы стараемся отправлять наши заказы самым быстрым способом.
РАССЧИТАТЬ ДОСТАВКУ

Оплата с помощью банковской карты

Для выбора оплаты товара с помощью банковской карты на соответствующей странице сайта необходимо нажать кнопку «Оплата банковской картой». Оплата происходит через авторизационный сервер Процессингового центра Банка с использованием Банковских кредитных карт следующих платежных систем:

VISA International

MasterCard World Wide

ОПЛАТА ПО БАНКОВСКИМ КАРТАМ VISA

К оплате принимаются все виды платежных карточек VISA, за исключением Visa Electron. В большинстве случаев карта Visa Electron не применима для оплаты через интернет, за исключением карт, выпущенных отдельными банками. О возможности оплаты картой Visa Electron вам нужно выяснять у банка-эмитента вашей карты.

ОПЛАТА ПО КРЕДИТНЫМ КАРТАМ MASTERCARD

На сайте к оплате принимаются все виды MasterCard.


Оставить отзыв

Ваша оценка

Официальный поставщик оборудования

Квалифицированные специалисты

Индивидуальный подход к каждому клиенту

Собственный склад оборудования

Будьте в курсе
Подпишитесь на последние обновления и узнавайте о новинках и специальных предложениях первыми
Email
Нажимая кнопку "Подписаться", вы подтверждаете согласие на обработку персональных данных