Робот для покраски Kawasaki KF262
-
Любая форма оплаты
-
Прямые поставки от производителей
-
Доставка по всей территории РБ
Краткие характеристики:
| грузоподъемность: | 12 кг |
| радиус действия: | 2 665 мм |
| количество осей: | 6 |
Области применения:
Взрывозащищенный окрасочный робот KF262 отличается большой рабочей зоной и запястьем типа BBR (Bend, Bend, Roll), подходящим для окраски деталей с плоской передней поверхностью.
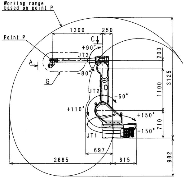
Размеры и диапазоны движения



Детальные характеристики
| KF262 | |||
| Тип запястья | BBR | ||
|---|---|---|---|
| Управляемых осей (Степени свободы) | 6 | ||
| Полезная нагрузка на кисть (кг) | Запястье: 12 Рука: 20 | ||
| Предельная досягаемость (мм)✽1 | 2 665 | ||
| Повторяемость (мм) ✽2 | ±0.5 | ||
| Угол поворота (°) | Рука вращение (JT1) | ±150 | |
| Рука вперед-назад (JT2) | +110 - −60 | ||
| Рука вверх-вниз (JT3) | +90 - −80 | ||
| Запястье поворот (JT4) | ±360 | ||
| Запястье сгиб (JT5) | ±360 | ||
| Запястье вращение (JT6) | ±360 | ||
| Момент силы (N•м) | Запястье поворот (JT4) | 33.3 | |
| Запястье сгиб (JT5) | 28.8 | ||
| Запястье вращение (JT6) | 7.9 | ||
| Момент инерции (кг•м2) | Запястье поворот (JT4) | 1.2 | |
| Запястье сгиб (JT5) | 0.9 | ||
| Запястье вращение (JT6) | 0.11 | ||
| Максимальная скорость (м/сек) | 2.0 | ||
| Масса (кг) | 720 | ||
| Цвет корпуса | соответствует Munsell 10GY9/1 | ||
| Монтажное положение | Пол, стена | ||
| Взрывозащита | Европа, Китай, Корея | Сочетание датчика внутреннего давления и искробезопасного исполнения (Ⅱ2G Expxib ⅡB T4 / Exib ⅡB T4) | |
| Условия окружающей среды (эксплуатации) | Температурный режим (°C) | 0 - 40 | |
| Относительная влажность (%) | 35 - 85 (строгое отсутствие конденсата или инея) | ||
| Требования по электропитанию (kVA) ✽3 | 5 | ||
| Контроллер | Америка | - | |
| Европа | E45 | ||
| Япония и Азия | E25 | ||
✽1: Запястье BBR (Bend Bend Roll) это расстояние от центра JT1 до центра JT4.
✽2: Значение соответствует ISO9283.
✽3: В зависимости от нагрузки и характера движения.
| Артикул | 195634 |
| Производитель | Kawasaki |
- Доставка по адресам, расположенным в пределах европейской части России, обычно занимает не более двух-трёх рабочих дней — с понедельника по пятницу.
- Доставка по адресам, расположенным за пределами страны, обычно занимает больше времени, но мы стараемся отправлять наши заказы самым быстрым способом.
Оплата с помощью банковской карты
Для выбора оплаты товара с помощью банковской карты на соответствующей странице сайта необходимо нажать кнопку «Оплата банковской картой». Оплата происходит через авторизационный сервер Процессингового центра Банка с использованием Банковских кредитных карт следующих платежных систем:
VISA International
MasterCard World Wide
К оплате принимаются все виды платежных карточек VISA, за исключением Visa Electron. В большинстве случаев карта Visa Electron не применима для оплаты через интернет, за исключением карт, выпущенных отдельными банками. О возможности оплаты картой Visa Electron вам нужно выяснять у банка-эмитента вашей карты.
На сайте к оплате принимаются все виды MasterCard.
Оставить отзыв
Официальный поставщик оборудования
Квалифицированные специалисты
Индивидуальный подход к каждому клиенту
Собственный склад оборудования
КАТАЛОГ ТОВАРОВ
Запросить КП
Информация о доставке и оплате
Гарантия и обслуживание