Робот для паллетирования Kawasaki RD080N
-
Любая форма оплаты
-
Прямые поставки от производителей
-
Доставка по всей территории РБ
Краткие характеристики:
| грузоподъемность: | 80 кг |
| радиус действия: | 2 100 мм |
| количество осей: | 5 |
| точность: | ±0,07 мм |
Области применения:
Промышленный робот RD080N – самый маленький из линейки роботов, разработанных для решения задач по паллетированию. Высокоскоростной и надежный робот RD080N обладает лучшим в отрасли показателем по досягаемости.
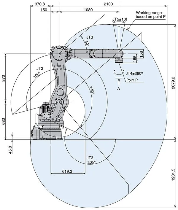
Размеры и диапазоны движения



Детальные характеристики
| RD080N | |||
| Тип | Шарнирный робот | ||
|---|---|---|---|
| Управляемых осей (Степени свободы) | 5 | ||
| Полезная нагрузка на кисть (кг) | 80 | ||
| Повторяемость (мм) ✽1 | ±0.07 | ||
| Угол поворота (°) | Рука вращение (JT1) | ±180 | |
| Рука вперед-назад (JT2) | +140 - −105 | ||
| Рука вверх-вниз (JT3) | +40 - −205 | ||
| Запястье поворот (JT4) | ±360 | ||
| Запястье сгиб (JT5) | ±10✽2 | ||
| Максимальная скорость (°/s) | Рука вращение (JT1) | 180 | |
| Рука вперед-назад (JT2) | 180 | ||
| Рука вверх-вниз (JT3) | 175 | ||
| Запястье поворот (JT4) | 360 | ||
| Рабочая зона (mm) |
Радиус действия |
1 100 | |
| Нижняя точка | 1 100 | ||
| Верхняя точка | 2 062.3 | ||
| Момент инерции(кг•м2) | 13.7 | ||
| Производительность (цикл/час) ✽3 | 900 | ||
| Масса (кг) | 540 | ||
| Цвет корпуса | соответствует Munsell 10GY9/1 | ||
| Монтажное положение | Floor | ||
| Условия окружающей среды (эксплуатации) | Температурный режим (°C) | 0 - 45 | |
| Относительная влажность (%) | 35 - 85 (строгое отсутствие конденсата или инея) | ||
| Требования по электропитанию (kVA) ✽3 | 4.5 | ||
| Степень защиты | Запястье: соответствует IP67 / Корпус / рука: соответствует IP65 | ||
| Контроллер | E03 | ||
✽1: Значение соответствует ISO9283
✽2: Траектория движения (туда-и-обратно вверх на 400 мм, 2 000мм по горизонтали, вниз на 400 мм)
✽3: В зависимости от нагрузки и характера движения
✽4: Рабочий угол JT5 составляет ± 10 градусов перпендикулярно земле.
Видеообзор модели:
| Артикул | 195659 |
| Производитель | Kawasaki |
- Доставка по адресам, расположенным в пределах европейской части России, обычно занимает не более двух-трёх рабочих дней — с понедельника по пятницу.
- Доставка по адресам, расположенным за пределами страны, обычно занимает больше времени, но мы стараемся отправлять наши заказы самым быстрым способом.
Оплата с помощью банковской карты
Для выбора оплаты товара с помощью банковской карты на соответствующей странице сайта необходимо нажать кнопку «Оплата банковской картой». Оплата происходит через авторизационный сервер Процессингового центра Банка с использованием Банковских кредитных карт следующих платежных систем:
VISA International
MasterCard World Wide
К оплате принимаются все виды платежных карточек VISA, за исключением Visa Electron. В большинстве случаев карта Visa Electron не применима для оплаты через интернет, за исключением карт, выпущенных отдельными банками. О возможности оплаты картой Visa Electron вам нужно выяснять у банка-эмитента вашей карты.
На сайте к оплате принимаются все виды MasterCard.
Оставить отзыв
Официальный поставщик оборудования
Квалифицированные специалисты
Индивидуальный подход к каждому клиенту
Собственный склад оборудования
КАТАЛОГ ТОВАРОВ
Запросить КП
Информация о доставке и оплате
Гарантия и обслуживание